新技术实现先打印再选材 科技日报2025年10月13日报道,据最新一期《先进材料》杂志报道,研究团队开发出一种全新3D打印技术,利用普通水凝胶“生长"出结构复杂、强度高、密度大的金属与陶瓷部件,突破了传统光固化立体打印仅能通过感光聚合物的限制。同时,研究还提出了一种新的增材制造理念,即在3D打印之后而非之前选择材料。 现有将聚合物转化为金属或陶瓷的技术,往往会导致材料多孔、强度不足,而且部件会
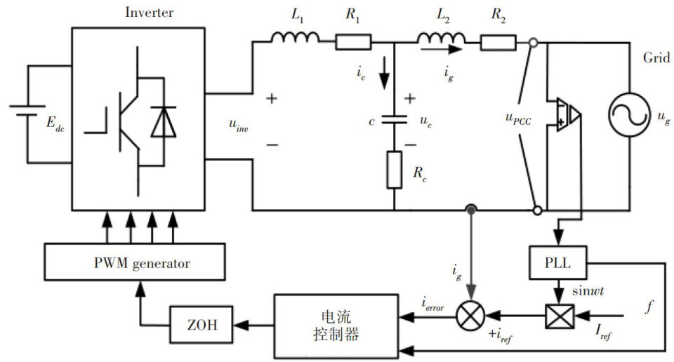
摘要:【目的】研究旨在解决LCL型并网逆变器在谐振频率处存在的谐振峰问题,并有效降低系统的计算负荷和内存消耗,以及无源阻尼带来的系统损耗。【方法】采用基于陷波滤波器的有源阻尼策略,提出了一种新型多速率复合重复控制器的设计方案,并对该控制器进行了详细的参数设计。【结果】仿真结果表明,基于陷波滤波器的多速率重复控制器在基频处能保持高增益,在高频处增益迅速衰减。因为逆变器系统的谐波含量多为低频谐波,所以该控制器在低频区域内谐波抑制性能良好,高频处的低增益提高了系统的稳定性。【结论】与传统单速率重复控制器相比,该控制器采用低损耗的陷波器阻尼方法,保持了传统控制器的优秀谐波抑制能力。多速率系统中控制器采样速率的降低,不仅提高了系统的稳定性,而且降低了系统的计算负荷和内存消耗。
摘要:【目的随着电力系统的不断发展,对限流控制技术的要求日益提高。为解决传统限流方法在应对复杂故障场景时存在一定局限性,提出一种基于电网故障时的补偿设备限流控制策略。【方法】首先,通过分析静止无功补偿器(SVG)的主电路拓扑结构和控制原理,设计出基于电网系统瞬时故障采样的计算方式;其次,分析系统输出电流及电抗器机端的电压关系状态,针对SVG的特性设计输出限流控制,包括限流控制的相关策略、限流与保护控制及输出限流控制条件下的电网特性,并结合现场的实际工况,计算出系统的有功和无功功率状况;最后,通过仿真实验验证其有效性。【结果】研究结果表明,该限流控制策略在网侧系统故障时限制SVG的输出电流表现效果明显。【结论】该策略为电力系统的安全稳定运行提供了新的解决方案,可为后续相关研究提供一定的参考。
摘要:【目的】针对 1000kV 特高压输电系统故障特征识别的复杂性,提出一种基于小波变换和傅里叶分解的 1000kV 特高压故障特征识别方法。【方法】首先,深入分析故障录波数据,采用小波变换与傅里叶分解相结合的方法,构建特高压故障特征识别模型;其次,通过层次化特征提取和混合识别算法设计,实现多维度故障特征的有效融合和精确识别,并建立基于时频特性的故障判据体系。【结果】试验结果表明,录波数据中的电压电流突变量与故障类型存在显著相关性,基于此开发的故障特征识别系统在实际应用中准确率达到 95% ,能有效识别包括绕组匝间短路、雷击及串补电容器组故障等多种故障类型。【结论]该故障特征识别方法为特高压电网的安全稳定运行提供了重要技术支撑,可为相关领域的研究提供一定的参考与借鉴。
摘要:【目的】针对三维点云分割在口内牙齿三维模型分割中面临的泛化性不足问题,提出了一种改进动态图神经网络模型,并进行试验验证。【方法】深入剖析动态图神经网络模型(DGCNN),明确其原始结构适用于三维点云分类和部件分割。通过对DGCNN的部件分割分支进行改进,针对口内扫描点云,提出了动态图神经网络实例分割网络(DGISeg),用于口内牙齿扫描点云模型进行实例分割。随后,利用Teeth3DS数据集对DGISeg模型的性能进行测试。【结果】测试结果表明,DGISeg模型在数据集上的实例分割性能表现优于PointNet模型。【结论】DGISeg保留了DGCNN网络的优点,同时通过改进增加了实例感知能力,非常适合口内扫描后的牙齿实例分割场景。
摘要:【目的】智能变电站采用了大量新型设备和组件,当前仍然依靠图像浅层特征的故障诊断方法,会导致故障检测质量下降,因此提出基于卷积神经网络的智能变电站设备故障检测方法。【方法】首先,采用改进非局部均值滤波算法对智能变电站设备红外图像进行处理,最大程度恢复原始红外图像中包含的有效细节信息。其次,以滤波后红外图像对应的灰度图像为基础,通过顶帽变换和叠加运算提升图像对比度,采用分水岭算法完成图像故障可疑区域分割。最后,以卷积神经网络为核心构建故障检测模型,将可疑区域分割图像输入其中,提取浅层视觉特征和深层语义特征,借助全连接层的分类决策性能得出设备故障检测结果。【结果】该方法的智能变电站设备故障检测结果F1值保持在0.9以上,实现了对设备故障问题的准确诊断。结论该方法不仅提高了故障检测的准确性,而且降低了对人工经验的依赖,提高了诊断的自动化和智能化水平。
摘要:【目的】中国气象局气象小型业务项目“人工影响天气作业装备弹药全程监控应用示范”支持建设的人工影响天气弹药装备物联网系统实现了对装备弹药的全过程规范化、自动化的实时监控管理,其中作业环节需要基层作业人员使用物联网系统手持终端对作业弹药进行扫码上报。由于基层作业队伍结构复杂,要求作业人员熟练、准确操作上报信息存在一定推广难度。因此,对人工影响天气弹药装备物联网系统应用及流程优化进行研究,设计了一种基于Python的人工影响天气作业信息上报工具。【方法】对实际业务应用中的常见问题进行归纳总结并给出解决方法;对作业信息上报操作流程进行全面梳理,通过分析物联网系统的HTTP网络请求报文,将信息上报流程优化为“用户主动操作”和“后台自动处理”两部分,运用Python语言构建了常规作业信息快速上报工具。结果]该工具仅需用户根据提示输入有限必要信息,后台即可批处理快速完成作业信息审核上报,同时能针对常见物联网系统配置错误给出故障诊断及指引。【结论】该工具简化了常规作业信息上报流程,降低了基层作业人员的学习掌握难度,有效提升了物联网系统在基层的应用率。
摘要:【目的】为提高抽水蓄能电站地下厂房施工的通风效率,改善施工环境,保障施工人员的身体健康,提出将智能通风系统应用于施工过程中。【方法]该系统通过自动调节风量和实时监控空气质量,优化了地下施工环境。系统结合了先进的智能通风技术和人群健康在线监测系统,并安装了污染物浓度传感器,实时采集地下厂房的风流状况与污染物浓度。同时,通过工地监控中心和微信小程序,管理者能够及时了解洞内空气质量变化从而进行动态调节。【结果】智能通风系统的应用使得爆破后空气质量达标时间缩短了 20% ,通风效率提高了4倍,能耗降低了 40% 。系统还通过实时监测CO ,CO2,SO2 、粉尘等污染物浓度,确保其符合国家标准,保障了施工人员的职业健康安全。结论】该系统不仅提升了工作环境的舒适性,还为未来类似工程的智能通风技术应用提供了参考。未来应进一步优化传感器布置和智能控制系统,推动智能通风技术在地下施工中的广泛应用,支持绿色施工和可持续发展。
摘要:【目的】通过整合来自不同感知或采集渠道的异构数据,系统分析了多模态数据融合的研究进展、面临的挑战及未来方向,以期为进一步推动多模态融合的发展与应用提供参考。【方法】首先,梳理多模态数据融合的发展历程,从早期的军事与遥感应用到深度学习驱动的现代方法;其次,总结当前面临的核心挑战,如细粒度语义对齐、动态权重自适应、多模态因果推理、极端条件鲁棒性等,并探讨其可能的解决路径;最后,展望未来研究方向,包括通用多模态表征学习、动态自适应融合机制、轻量化边缘计算、伦理与可持续发展等。【结果】多模态数据融合在技术、数据、工程和伦理层面仍然面临着许多挑战,未来研究方向应围绕技术突破、应用场景拓展、社会价值提升三大核心目标展开。【结论】多模态数据融合的终极目标是实现类人式的跨模态认知能力,其发展将推动人工智能从单模态感知迈向多模态协同的通用智能。
摘要:【目的】蒸发冷凝机组虽以其节地、高效的优势,被作为解决地铁车站冷源系统冷却塔占地、噪声及景观问题的方案,广泛应用于新建地铁线路,但其在地下空间的应用却因通风散热不足和水质管理不当导致的换热器结垢问题,阻碍了设备长期高效运行。因此,有必要对地铁车站蒸发冷凝机组通风散热与预防结垢设计方案进行优化。【方法】以运营车站为研究对象,系统性总结工程实践经验。重点分析地下机房内蒸发冷凝机组的通风散热优化设计方案与高效水处理防结垢措施的实施效果。【结果】通过改善受限空间气流组织等针对性通风优化措施和水质管理等综合水处理技术,有效解决了地下机房散热问题,显著抑制了换热器结垢现象,机组运行可靠性与能效得到保障。【结论】这些措施的应用能够有效保障蒸发冷凝机组在地下环境中运行的可靠性和能效水平,为类似工程提供实践经验和技术参考。
摘要:【目的】针对传统光伏板清理机器人在多区域光伏阵列中路径冗余、清洁时间长及能耗高等问题,提出一种基于自适应遗传算法(AGA)的路径规划方法,以提升机器人作业效率并降低能耗。【方法】采用双层编码机制,结合“邻接-污染”启发规则,动态调整遗传算法的交叉与变异概率,实时优化清洁路径。通过多目标适应度函数,综合考虑路径长度、清洁时间与能耗,实现三者的协同优化。【结果】试验表明,AGA在含100处污渍的复杂场景中,路径长度缩短 20.24% ,清洁时间缩短 21.99% ,能耗降低 22.52% ,3项指标同步优化且幅度接近。【结论】AGA在多目标均衡与场景自适应方面表现出色,有效解决了传统方法的局限性,为光伏板清理机器人的实际应用提供了高效、节能的解决方案。
摘要:[目的]针对山区高速公路桥梁高墩受地形、气候等因素影响易发生偏位,且传统监测手段成本高、环境适应性差等问题,研究开发轻量化监测系统及配套软件平台,以实现对桥梁高墩偏位的高效、实时监测。【方法】采用小型化低功耗倾角与位移传感器、可靠的无线传输技术及监测预警软件平台,搭建轻量化监测系统,并以贵州省某山区大桥为工程实例,在山区复杂气候与环境下开展长期实地监测。【结果该监测系统在野外环境运营稳定,成功监测到桥梁高墩受温度变化主导的周期性变形规律。经对比分析,监测结果与有限元计算结果较接近。【结论】通过实时监测与预警,能够及时发现桥梁安全隐患,可显著提升桥梁运营安全水平,降低维护成本,具有较高的工程应用价值和经济效益。
摘要:【目的通过数值分析在V级软弱破碎岩体中进行隧道施工的两种主要工法:CD工法和三台阶七步工法,以确定其在施工过程中的优劣性,为类似工程提供参考。【方法】以吉图珲铁路客运专线富岩1号隧道工程为例,利用有限元法对比分析两种工法对开挖过程的影响,并对比其对围岩和支护结构的受力与变形特性。【结果】研究结果表明,CD工法以小断面分步开挖,化大跨为小跨,减轻了土体扰动,其借助中隔壁的支撑作用,有效地抑制了结构和围岩变形。三台阶七步工法通过预留核心土稳掌子面,减小掌子面挤出位移。在控制拱顶沉降、边墙收敛位移及地表沉降方面,CD工法表现优于三台阶七步工法。两种工法均在拱顶、肩、腰处产生超限拉应力,应超前支护,管棚受力合规。结论】在V级软弱破碎岩体中进行隧道施工时,CD工法在控制围岩变形方面表现更佳,而三台阶七步工法则在掌子面稳定性方面具有优势。两种工法均需采用适当的超前支护措施,以确保施工安全。
摘要:【目的】研究双向四车道系杆拱桥在不同车速下的结构受力特性。【方法】依托于某双向四车道系杆拱桥工程案例,建立不同车速下的有限元模型,分析车速在 60km/h 下结构的受力特性与不同车速下的结构影响规律。【结果研究表明,在车辆荷载作用历程中,桥面系与拱肋变形以沉降变形为主,由于桥面系的部分变形由吊杆与拱肋共同承担,以此起到减缓桥面系变形的作用;横撑呈现前期受压,后期受拉的现象,而吊杆在整个受力历程中基本以拉应力为主,由于两侧拱肋与拉杆受力不均,侧边横撑与吊杆的应力值明显大于中间横撑应力值。在不同车速下,该系杆拱桥的变形与应力最大值均在 60km/h 时出现峰值,说明此时车速与桥梁结构的位移共振效应达到最高状态。【结论】由于位移共振效应对结构的影响较大,在设计过程中,应充分把握对结构影响最大的车速值,以保证结构的安全可靠。
摘要:【目的】对福建省某居民区滑坡稳定性进行分析,研究滑坡的成因与稳定性变化规律,并提出综合治理方案,以消除灾害隐患。方法】通过现场工程地质调查与勘探,明确滑坡地形、岩土体及水文特征,采用简化Bishop法计算天然与暴雨工况下的稳定性系数,并提出了治理方案(削坡 .+ 挡土板 .+ 锚杆 + 格构梁 + 截排水),通过有限元数值模拟对治理效果进行了验证。【结果】结果表明,天然工况下,滑坡稳定性系数为1.001\~1.091,处于“欠稳定”状态;暴雨工况下,滑坡稳定性系数降至 0.924~0.971 ,处于“不稳定”状态。治理后,稳定性系数提升至1.172,最大水平位移与垂向位移分别控制在 17mm 和 12mm ,显著抑制了坡体变形。【结论】综合治理方案通过降低土体下滑力,增强了抗滑力和优化排水条件,有效提升了滑坡稳定性。
摘要:【目的】为充分实现地域文化与高铁建设的有机融合,解决复杂仿古构件在现代化交通建筑中的施工精度与建筑表现难题,在某高铁站房建造过程中运用三维建模技术对大型仿古立柱进行深化设计,并制定了一套完整合理的施工方案。【方法】借助三维建模软件对设计图纸进行深化设计,确定合理的施工分区、安装次序、龙骨及面板的精确尺寸,制定合理的安装方案,通过测量放线、龙骨安装、铝板安装和嵌缝打胶等步骤完成大型仿古立柱的施工。【结果】建成了造型复杂的仿古立柱,经检测垂直度偏差和接缝宽度误差均在合理范围内,建筑造型实现率高,完美呈现了地域文化意象。【结论】实践证明,基于数字化技术的大型仿古立柱施工关键技术能够保证龙骨及面层的精确加工及安装,能确保实现所需的建筑装修效果,建议在文化主题交通枢纽工程中推广该技术。
摘要:【目的】探究热处理工艺对GH4169合金C型封严环组织与性能的影响规律。【方法】在固溶时效处理中加入中间退火工艺,通过金相观察和硬度测试,分析了中间退火对封严环组织与性能的作用规律。【结果】在固溶时效处理过程中加入中间退火处理,可有效细化晶粒。在退火温度较高时,两者细化晶粒效果相近;但在退火温度较低时,时效前退火工艺比时效后退火工艺细化晶粒效果更好。【结论】在中间退火工艺中,时效前退火 工艺对晶粒的细化效果最好,可使晶粒度等级提升约 11.5% 。
摘要:【目的】为解决传统的电解质膜成本高昂、化学稳定性不足、废弃后难以降解等问题。开发高性能环保电解质膜成为当前研究热点。方法】本研究采用溶液共混法制备凹凸棒土类流体( f- ATP)改性壳聚糖(QCS)/聚乙烯醇(PVA)环保型复合电解质膜,通过调控f-ATP含量 (0%~10%) ,系统研究复合膜的电导率、力学性能及溶胀行为。【结果】当QCS/PVA质量比为 6:4,f-ATP 含量为5% 时,复合膜在 80°C 下的电导率达到最大值 55×10-3S?cm-1 ,拉伸强度为 63MPa ;且吸水率和溶胀率随f-ATP含量增加而降低,其中未改性膜在 80°C 水中的吸水率和溶胀率分别为 198% 和116% 各项性能已达到环保型电解质膜的使用标准。【结论】本研究通过对f-ATP改性QCS/PVA复合电解质膜的性能探究,为高性能环保电解质膜的开发提供了新的思路。
摘要:【目的】针对高压开关绝缘件在复杂工况下的防护需求,开发适配新型环保型耐温涂料的精密喷涂工艺体系。方法】制备一种环保型耐温涂料对绝缘件进行喷涂,对喷涂过程中出现的表面橘皮、麻点、凹坑缺陷进行工艺改进,并对该涂料材料性能进行验证。【结果】工艺优化后的涂层表面无橘皮、麻点、凹坑缺陷,耐酒精性好,附着力达到0级,硬度达到5H,表面电阻达到 1.6×1015 Ω ,耐电弧时间达到180s,经过10个冷热循环后表面无异常。【结论】本工艺通过参数精确控制与缺陷机理分析,实现了涂层表面质量与综合性能的协同优化提高了绝缘件在复杂环境中的可靠性和安全性,在高压开关绝缘零部件领域有良好的应用前景。
摘要:[目的]研究河南省土地利用时空格局变化状况,分析建设用地开发过程中存在的问题,为土地资源的可持续利用和节约集约利用提供数据支撑和对策建议。【方法】通过对2015年第一次全国地理普查数据和2019年地理监测数据的精确分析,将河南省17个地级市人工地表构成比、房屋建筑区占地比重、铁路道路占地比重、构筑物占地比重、人工堆掘占地比重等指标总结为直观且详细的图表,并加以分析。【结果】分析数据显示,住宅建设用地在人工表面中占总面积过半,但其占比在2015—2019年下降了 3.74% 。道路和建筑结构的面积均小幅度增长 1% 左右,而人工挖掘区域则显著增加了 2.33% 。河南省中部和东部地区的人工表面密度较高,而西部地区较低。住宅、道路开发趋势表明,平原地区的城市发展相对更迅速,而山地、丘陵地区的城市化进程则相对缓慢。这是河南省地表自然环境背景下人口流动加速和交通建设进程加快带来的必然结果。研究结果显现出河南省土地开发利用内部差异大、效率有待提高等问题。结论河南省应在严守用地指标的前提下,协调省内发展水平,布局产业集聚发展,注重生态环境保护。
摘要:[目的]针对生产建设项目弃/堆土场坡面土壤侵蚀多呈现细沟侵蚀和浅沟侵蚀,但坡面陡峭导致人工难以测量这一难题,结合无人机遥感和地理信息系统(GIS)技术,创新应用等高线平滑法,建立高效精确的坡面土壤侵蚀量测算方法,为水土保持监测提供新方案。【方法】以湖北省武汉市洪山区的一处侵蚀坡面为研究对象,利用无人机获得 2cm 分辨率地面高程模型提取等高线并平滑处理,借助Arcmap10.6平台计算研究区土壤流失量,并与野外实测计算的流失量比对。【结果】与野外实测结果相比,DEM计算的流失量接近程度约为 96.36% ,表明基于DEM等高线图形概括方法对坡面浅沟侵蚀量的估算具有较高的可靠性。经平滑处理后,DEM表面积、体积和等高线长度均出现明显变化,表面积、体积和等高线长度分别减少了 1.36%.1.46% 和 21.64% ,平滑处理能够有效恢复侵蚀坡面浅沟侵蚀前期表面形态,但由于图像分辨率限制,平滑处理简化了地表形态。【结论】等高线平滑方法在浅沟侵蚀量计算中表现出较高的可靠性,对生产建设项目浅沟侵蚀量估算有重要借鉴价值。
摘要:【目的]研究资源环境承载力,探讨资源环境状况对社会经济发展的作用规律,为科学合理地利用资源,推进社会发展和生态环境的协调统一提供参考依据。方法】以榆林市为研究对象,采取定性和定量相结合的方法,划分子系统,构建研究区域的SD模型,探究5种不同情景下研究区资源环境承载力的动态变化。结果2021—2035年,榆林市资源环境承载力总体将呈现波动性上升趋势,但不同社会经济发展模式下的承载力指数有所差异。现状延续型模式承载力开始时处于中间水平,但提升速度较快;经济优先型模式承载力开始时处于5种模式中的第2位,但提升速度较慢;环境友好型模式对资源环境承载力的影响程度较大;综合协调型模式承载力和资源节约型模式承载力整体处于落后水平。【结论】从模拟仿真结果来看,环境保护型发展模式和现状延续型发展模式有利于提升榆林市未来资源环境承载力。
摘要:[目的]探究秋冬李校园大气 PM2.5 浓度特征及其与气象要素的关系,为改善校园空气环境质量提供科学依据。【方法】基于2024年郑州师范学院校园气象站观测数据,借助SPSS和R语言等工具,运用相关性分析和曲线拟合法探讨秋冬季校园大气 PM2.5 浓度变化及其与气象要素的关系。【结果】秋冬季校园大气 PM2.5 浓度呈先升后降趋势,最大值出现在10月, PM2.5 浓度平均为73.8μg/m3 。在研究时段内, PM2.5 浓度均高于郑州市,且校园环境重度污染天数更多。 PM2.5 浓度与风速和空气湿度相关性较强,与其他要素相关性较弱。【结论】校园环境空气质量整体较为良好,但较郑州市略差,且10月 PM2.5 污染最严重。风速和空气湿度是影响校园 PM2.5 浓度的主要因素。
摘要:【目的】旨在对灰岩地区边坡稳定性进行分析,并提出相应防治措施,以期为同类型滑坡治理提供参考。【方法】结合贵阳南明区某灰岩滑坡地质条件和周边施工因素,分析滑坡现状稳定性,选取12和14剖面和两种工况进行校核。【结果】通过计算,12剖面在一般工况下边坡安全系数为0.822,地震工况下边坡安全系数为0.771;14剖面在一般工况下边坡安全系数为0.898,地震工况下边坡安全系数为0.852,表明该滑坡处于不稳定状态。【结论】需对坡体进行综合防护与治理,选取支挡和排(防)水、减载、反压、灌浆、植被等措施,并建立边坡监测制度,实施动态观测,以确保人民群众生命财产安全。
摘要:【目的]人工智能技术的快速发展催生了大量人工智能生成内容,这些生成内容在文学、艺术、音乐等领域展现出巨大潜力,同时也引发了其是否构成作品的争议。在此背景下,本研究旨在解决人工智能生成内容可版权性的问题。【方法】探讨人工智能生成内容的可版权性,对比国内外的立法、政策及判例,并运用《中华人民共和国著作权法》(以下简称《著作权法》)有关作品的基本理论论证支持人工智能生成内容的可版权性。【结果】美国版权局对人工智能生成内容的可版权性持否认态度;欧盟虽未有针对性政策,但认为其只有在使用者有足够的创造性贡献时,才能获得版权保护;中国尚未通过立法对人工智能生成内容的可版权性作出明确规定,学界亦形成两种鲜明对立的观点。【结论】在现行《著作权法》框架下,若使用者在人工智能生成内容的创作过程中进行了个性化的选择与安排,且充分体现了其独特的智力判断与思考,使得最终成果符合独创性要求,则该生成内容应纳入《著作权法》的保护范围。
摘要:【目的】解决博物馆IP商标活化中的知识产权运用困境,推动博物馆IP可持续活化【方法]基于河南省博物馆体系,探讨博物馆IP商标活化中的核心问题与运用边界困境。结果】博物馆IP商标运用存在商标注册权属不清、文物符号解构过程中创新与污化边界模糊、善意的使用行为与不正当竞争之间界限不明等困境。【结论提出划定权利开发主体模式合理确定创新红线及重新构造IP商用双重标尺等路径优化方案。
摘要:【目的作为河南省创新资源核心承载地,郑州市科技创新能力是驱动河南省经济高质量发展的核心引擎。通过探讨郑州市科技创新发展路径,为其创新生态系统建设提供理论与实践支撑【方法】采用对比分析、综合分析等方法,剖析郑州市科技创新发展现状及存在问题,并提出优化策略。结果研究表明,郑州市科技创新呈现集聚能力持续增强、产出效能不断提高、企业创新活力显著提升的良好态势,但仍面临高端创新要素支撑不足、企业主体地位不突出、科技成果转化效率不高等挑战。【结论】建议从加速创新生态建设、贯通科技成果转化、激活企业创新活力等方面系统施策,提升郑州市科技创新能力。
摘要:【目的】分析河南省科研机构科普工作现状及存在问题,探索其传播路径优化策略,以提升科普工作的效能与社会影响力,为区域科普能力建设和居民科学素质提升提供理论参考与实践依据。【方法】采用问卷调查与案例分析相结合的方法,对河南省内科研机构的科普活动形式、人员参与情况及受众需求等进行调研,并结合实证数据进行多维度分析。【结果】当前,河南省科研机构科普工作主要面临体制机制不健全、人才队伍能力不足、内容形式单一、评估反馈机制缺失等问题,制约了科普工作的广度、深度与创新性。【结论】应从完善科普保障机制、加强人才队伍建设、创新内容与传播形式、构建科学评估体系等方面优化传播路径,推动河南省科研机构科普工作实现高质量、可持续发展。
摘要:【目的】针对河南省大型科研仪器资源分布不均、使用效率低下等问题,探讨共享平台建设的优化路径,为提升区域科研资源利用效能、构建协同创新生态提供实践参考。【方法】基于河南省科研设施与仪器共享服务平台的运行数据,结合政策文本分析与典型案例研究,系统解析平台建设现状、成效及瓶颈,并从制度设计、技术支撑、资源配置等维度提出改进策略【结果】研究发现,平台在资源集聚与服务供给方面虽已初具规模,但建设中仍存在区域分布不均衡、仪器利用率偏低、创新券与平台衔接不足及服务支撑体系不完善等问题,制约着科研资源共享的深度与广度。【结论】针对上述建设中存在的问题,提出“四维优化框架”:构建区域协同的平台资源配置机制、完善平台仪器共享激励与调度机制、优化平台创新券政策支持与运行衔接机制及健全平台多层次服务支撑体系。
摘要:【目的】为满足高质量发展的新时代背景下,国有企业战略实施与治理现代化的迫切需求,聚焦国家电网公司三级领导人员,构建其领导力评价体系。【方法】采用行为事件访谈和扎根理论建模等路径,通过收集一手资料,识别领导者的关键行为,开放编码、主轴编码与选择编码,逐步提炼出胜任力维度与行为特征,形成理论与实践结合的评价框架。【结果】提炼出了国家电网公司三级领导人员领导力结构的五大核心能力维度:政治执行能力、战略把控能力、组织协调能力、合规廉洁能力和业务决策能力。【结论】系统构建了三级领导人员的胜任力模型,弥补了以往研究缺乏中层领导建模的不足,且评价框架可为国有企业在干部选拔、能力盘点和领导力发展等方面提供科学依据。
摘要:【目的】研究校企协同与成果转化对科研人才就业创业的赋能作用,探索基于平台化治理的制度路径。【方法】构建“技术赋能—价值创造—生态协同”三阶段理论框架,基于河南省48家高校与高新技术企业的调研数据,运用结构方程模型与聚类分析方法识别影响路径,并开发科研人才画像系统与创业风险评估模型。【结果】校企协同对科研人才就业质量有显著正向影响,成果转化在其中发挥中介作用,而数智平台在资源匹配与风险控制中具有关键支持功能。科研人才可分为三类画像,平台机制显著提高了其创业成功率与成果落地效率。【结论】应建立“科研项目反哺就业创业"机制,明确技术经纪人与创业人才梯度培育路径,完善地方数智平台协同机制与政策体系,最终形成支撑科研人才高质量发展的健康生态。